BR公司项目沟通管理的改进建议
时间:2015-01-24
来源:www.www.jbevzenko.com
第1章绪论
1.1论文研究的背景
随着中国加入WTO和经济全球化的进一步深化,我国的汽车行业得到飞速发展,大量的外资汽车零部件企业纷纷在大陆设立独资或合资机构、办事处或者工厂,同时也为整个汽车配件行业带来了先进的管理模式,比如汽车行业内部就先后有IS09000,TS16949, IS014000等国际体系,他们为汽车零部件企业的项目管理提供了一个可以遵循的主线,现在汽车零部件企业的业务大部分的都由项目的方式开展,但汽车零部件企业的项目管理同时面临着新的挑战。
从企业外部来看。客户为了保持或者提高其产品在市场上的竞争力,提出了对产品分单元采购的策略,即将一个原本由一家零部件供应商来完成的系统拆分为不同的单元然后分别交给不同的供应商来开发。比如一个汽车座椅,客户可能将其拆分为靠背和坐垫,又或者将之拆分为面套、发泡和骨架等不同的业务包。在这样的业务模式下往往要求几家供应商同步并行开发,而且这些相互合作的供应商可能存在同质产品竞争的情况。
从企业内部来看。首先,随着技术的进步,特别是对大中型企业而言,一个项目组内部的分工也越来越细。项目组成员来自不同专业背景下,大家在专业上的交集也越来越小,组织机构也円趋矩阵式;另外,项目组的成员很有可能来自不同的国度拥有不同的语言和文化背景,呈现跨文化组织形式;其次,在工作中有合作的某些成员在整个项目生命周期中未曾谋面,呈现虚拟团队的特征。
........................
1.2论文研究的目的和意义
1.2.1论文研究的目的
运用项目沟通管理的理论在BR公司这样一个弱矩阵项目组织和国际化成员协作的情景下,分析该公司项目沟通管理在沟通的规划,沟通的管理和沟通的监控几个方面存在的问题,找出这些问题的根源并提出相应的改进措施或方案。在项目沟通管理过程中运用WBS、沟通模型、信息路径图、业务信息模型和项目沟通管理规划等管理工具主要探讨项目干系人的分析方法,基于项目干系人的需求分析从而制定沟通规划并最终达到有效沟通。
1.2.2
论文研究的意义
外资企业在中国的发展为中国本土企业的发展提供了很好的借鉴作用,研究外资企业在项目沟通管理中遇到的问题,可以为中国企业走向世界,融入国际化合作贡献一笔过程资产(Process Assets)。作者结合在BR公司项目管理的工作经历和实际案例,通过研究BR公司项目沟通管理,一方面解决工作中沟通方面的问题并提高企业的管理水平,另一方面还能够为其他企业提供的借鉴作用。
..........................
第2章BR公司简介及项目沟通管理现状
2.1 BR公司及项目简介
2.1.1公司概况
BR公司是一个国际汽车产业合作伙伴,在知名的汽车零部件供应商中前40名,是全球在这个工业领域的第五大家族公司,向大约80的汽车品牌和超过30家供应商提供车辆门系统,摇窗机系统,座椅系统和电力驱动系统。在2013财年,该公司预计将产生营业额4.6约十亿欧元。作为一个家族企业BR公司在23个国家58个地区设立公司包括约21,000名员工。BR公司分布在欧洲,北美,中国,韩国,日本多地有独资公司,在上海,长春和重庆有四家独资工厂和一家合资工厂。
2.1.2R公司组织架构
公司由首席执行官,业务单元副总/中央职能部门副总,客户组总监/部门经理和职员四个管理层次构成。其中业务单元和中央职能部门属于平行关系,业务单元下设有客户组,客户组的组织形式为项目团队形式,属于弱矩阵架构。BR公司组织架构如图3.1所示:
..........................
2.2BR公司项目沟通管理现状
BR公司是全球化的跨国家族式企业为各大OEM提供丰富的产品,其中包括乘用车摇窗机、电机驱动系统、门系统和座椅系统多个业务車元。为了统一各个业务单元的项目管理公司对项目管理进行了统一的规划,推出了产品幵发流程(项目管理工具包和项目管理手册(PMH)。因为产品的类别和复杂度不尽相同,这些工具无法就具体的某个业务单元做出详细的规范。
由于项目管理中主要幵发的产品主要特征为平台化和国产化,在项目管理中经常需要欧洲的项目组和本地的项目组之间的沟通。在项目的各个阶段两个项目组都需要保持密切地沟通。比如客户的需求更新和技术状态的变更等等都需要同欧洲项目组做沟通确认。公司目前项目沟通管理的主要方式有包含口头和电子邮件等每天的円常工作沟通方式,每周一次的项目小组会议,每两周一次的EAK (项目JT发小组会议),每年三次的项目报告会议,以及高级管理层参与的Q-gate会议,山项目经理负责汇报项目在进度、成本、质量等方面的情况,对关键的事项得到高层的支持和批准。
............................
第3章BR公司简介及项目沟通管理现状..............10
3.1BR公司及项目简介...............10
3.1.1公司概况...............10
第4章BR公司项目沟通管理中的问题及分析.................19
4.1项目干系人识别中的问题及分析..................19
4.1.1项目开发流程中缺少识别干系人的步骤...............19
第5章BR公司项目沟通管理的改进建议....................27
5.1针对识别项目干系人的改进建议...................27
5.2针对沟通规划过程的改进建议...............28
第6章案例分析
6.1创建完善的信息路径图
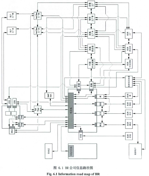
针对BR公司项目沟通管理中项目干系人识别问题,通过征询每个项目成员的意见,对项目中信息路径图的做了完善。这个信息流向路径图(见图6.1)为项目干系人识别以及之后的沟通规划提供了一份可视化的蓝图。
如图中所示整个供应链体系都被涵盖在整张图中。从纵向角度看这张图包括了从下游的客户,一阶供应商到BR公司项目团队到下游供应商。从横向角度看客户端包括中国客户和欧洲客户以及相应的总装厂,BR公司同样也包括中国项目组、欧洲协调人和相应的工厂,同时还包括了平行的其他项目和数据系统。另外这幅图还表明了项目组织的构成关系,比如图中的中国项目组就是有项目经理、销售、质量、IE、设计、测试、物流以及釆购等等的职能部门成员组成的。图中的每一条连线都代表了一个业务关系,在每个业务关系的两端就是项目干系人(这里SAP系统也属于项目干系人)。根据这些连线就可以识别到对应的项目干系人,根据每条信息路线又可以确定出具体的业务流程。
..........................
第7章结束语
随着中国汽车市场的蓬勃发展和蕴藏在中国汽车产业中的巨大潜力,越来越多的跨国的汽车整车及零部件企业纷纷来到中国。一方面汽车工业成熟的国家针对产品开发的先进理念比如产品的平台化,模块化和标准化也随着这些企业的在业内得到广泛地推广应用,另外一方面为了实现企业投资收益的最大化,产品的国产化就成为各个企业的一条发展战略。在这样的历史背景下,如何成功地管理平台化、模块化产品的国产化项目就成为中国的项目开发团队面临的一个重大挑战。
本论文运用项目沟通管理的理论在BR公司这样一个弱矩阵项目组织和国际化成员协作的情景下,分析该公司项目沟通管理在沟通的规划,沟通的管理和沟通的监控几个方面存在的问题,找出这些问题的根源并提出相应的改进措施或方案。在项目沟通管理过程中运用WBS、沟通模型、信息路径图、业务信息模型和项目沟通管理规划等管理工具主要探讨项目干系人的分析方法,基于项目干系人的需求分析从而制定沟通规划并最终达到有效沟通。本论文的主要研究内容如下:
首先,从项目管理角度出发结合BR公司平台国产化项目的特点,对项目的沟通管理找出并分析在项目沟通管理各个过程中存在的问题。比如没有项目干系人分析的流程,没有具体的识别项目干系人的方法,无法正确识别项目干系人的需求,沟通中存在诸多沟通障碍以及沟通效果不好和效率不高等问题。
其次,针对找出的这些问题运用沟通模型、WBS的理念、信息路径图以及项目沟通管理规划等管理工具,对BR公司项目中存在的问题提出了改进建议措施。比如通过信息路径图的方法提供的一种辨认识别项目干系人的方法,综合业务信息模型来正确较完整地分析项目千系人的信息需求等等。
最后,通过部分改进建议措施在BR公司项目中案例,并对上述建议措施的实施效果作了验证和评价,证实了建议措施的有效性及其对此类项目的积极影响。比如在项目管理过程中通过运用信息路径图的方法正确地辨识出了项目干系人并且分析了他们的项目信息需求。
参考文献(略)
相关阅读
- H公司项目沟通管理中的问题及分析2015-01-24


